Product Summary
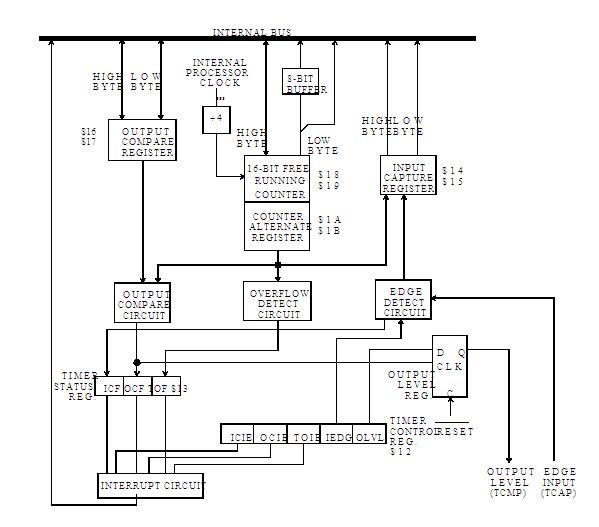
The MC68HC705C9ACFN is a Microcontroller. The MC68HC705C9ACFN memory map consists of 12,092 bytes of user EPROM and 176 bytes of RAM when it is configured as an MC68HC705C9ACFN and 15,932 bytes of user EPROM and 352 bytes of RAM when configured as an MC68HC705C9ACFN. The MC68HC705C9ACFN includes a serial communications interface, a serial peripheral interface, and a 16-bit capture/compare timer.
Parametrics
MC68HC705C9ACFN absolute maximum ratings: (1)Supply voltage: -0.3 to +7.0V; (2)Input voltage-Normal operation: –0.3 to VDD + 0.3; (3)Input voltage-Bootloader mode (IRQ pin only): VSS–0.3 to 2 x VDD+0.3V; (4)Current drain per pin: 5mA; (5)Storage temperature range: –65 to +150℃
Features
MC68HC705C9ACFN features: (1)Programmable mask option register (MOR) for C9A/C12A configuration; (2)MOR for port B pullups and interrupts; (3)Popular M68HC05 central processor unit (CPU); (4)15,932 bytes of EPROM (12,092 bytes for C12A configuration); (5)352 bytes of RAM (176 for C12A configuration); (6)Memory mapped input/output (I/O); (7)31 bidirectional I/O lines (24 I/O + 6 input only for C12A configuration) with high current sink and source on PC7; (8)Asynchronous serial communications interface (SCI); (9)Synchronous serial peripheral interface (SPI); (10)16-bit capture/compare timer; (11)Computer operating properly (COP) watchdog timer and clockmonitor?Power-saving wait and stop modes; (12)On-chip crystal oscillator connections; (13)Single 3.0 volts to 5.5 volts power supply requirement.
Diagrams

| Image | Part No | Mfg | Description | ![]() |
Pricing (USD) |
Quantity | ||||||||||||
|---|---|---|---|---|---|---|---|---|---|---|---|---|---|---|---|---|---|---|
![]() |
![]() MC68HC705C9ACFN |
![]() |
![]() IC MCU 2.1MHZ 16K OTP 44-PLCC |
![]() Data Sheet |
![]() Negotiable |
|
||||||||||||
![]() |
![]() MC68HC705C9ACFNE |
![]() Freescale Semiconductor |
![]() 8-bit Microcontrollers (MCU) 8B MCU 352 BYTES RAM |
![]() Data Sheet |
![]()
|
|
||||||||||||
(Hong Kong)










