Product Summary
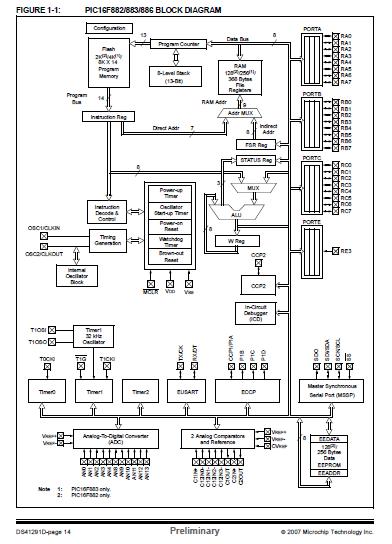
The PIC16F887-I/P is a 44-Pin, Enhanced Flash-Based 8-Bit CMOS Microcontroller with nanoWatt Technology. The PIC16F887-I/P is available in a 40-pin PDIP and 44-pin QFN and TQFP packages.
Parametrics
Absolute maximum ratings: (1)Ambient temperature under bias: -40℃ to +125℃; (2)Storage temperature: -65℃ to +150℃; (3)Voltage on VDD with respect to VSS: -0.3V to +6.5V; (4)Voltage on MCLR with respect to Vss: -0.3V to +13.5V; (5)Voltage on all other pins with respect to VSS: -0.3V to (VDD + 0.3V); (6)Total power dissipation: 800 mW; (7)Maximum current out of VSS pin: 300 mA; (8)Maximum current into VDD pin: 250 mA; (9)Input clamp current, IIK (VI < 0 or VI > VDD): ± 20 mA; (10)Output clamp current, IOK (Vo < 0 or Vo >VDD): ± 20 mA; (11)Maximum output current sunk by any I/O pin: 25 mA; (12)Maximum output current sourced by any I/O pin: 25 mA; (13)Maximum current sunk by PORTA, PORTB and PORTE (combined): 200 mA; (14)Maximum current sourced by PORTA, PORTB and PORTE (combined): 200 mA.
Features
Features: (1)Power-Saving Sleep mode; (2)Wide operating voltage range (2.0V-5.5V); (3)Industrial and Extended Temperature range; (4)Power-on Reset (POR); (5)Power-up Timer (PWRT) and Oscillator Start-up Timer (OST); (6)Brown-out Reset (BOR) with software control option; (7)Enhanced low-current Watchdog Timer (WDT) with on-chip oscillator (software selectable nominal 268 seconds with full prescaler) with software enable.
Diagrams

| Image | Part No | Mfg | Description | ![]() |
Pricing (USD) |
Quantity | ||||||||||||
|---|---|---|---|---|---|---|---|---|---|---|---|---|---|---|---|---|---|---|
![]() |
![]() PIC16F887-I/P |
![]() Microchip Technology |
![]() 8-bit Microcontrollers (MCU) 14KB Flash 368 RAM 36 I/O |
![]() Data Sheet |
![]()
|
|
||||||||||||
![]() |
![]() PIC16F887-I/PT |
![]() Microchip Technology |
![]() 8-bit Microcontrollers (MCU) 14KB Flash 368 RAM 36 I/O |
![]() Data Sheet |
![]()
|
|
||||||||||||
(Hong Kong)









