Product Summary
The FM600TU-07A is a 6-Pack High Power MOSFET Module for high power switching use with insulated package.
Parametrics
FM600TU-07A absolute maximum ratings: (1)Drain-source voltage: 75V; (2)Gate-source voltage: ±20V; (3)Avalanche current: 300A; (4)Channel temperature: –40 ~ +150℃; (5)Storage temperature: –40 ~ +125℃; (6)Isolation voltage: 2500V.
Features
FM600TU-07A features: (1)ID(rms): 300A; (2)VDSS: 75V; (3)Insulated Type; (4)6-elements in a pack; (5)Thermistor inside; (6)UL Recognized.
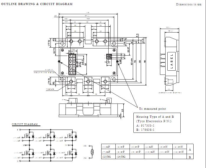
Diagrams

| Image | Part No | Mfg | Description | ![]() |
Pricing (USD) |
Quantity | ||||||
|---|---|---|---|---|---|---|---|---|---|---|---|---|
![]() |
![]() FM600TU-07A |
![]() |
![]() MOSFET MOD 6PAC HP 75V 300A |
![]() Data Sheet |
![]()
|
|
||||||
| Image | Part No | Mfg | Description | ![]() |
Pricing (USD) |
Quantity | ||||||
![]() |
![]() FM600TU-07A |
![]() |
![]() MOSFET MOD 6PAC HP 75V 300A |
![]() Data Sheet |
![]()
|
|
||||||
![]() |
![]() FM600TU-2A |
![]() |
![]() MOSFET MOD 6PAC HP 100V 300A |
![]() Data Sheet |
![]()
|
|
||||||
![]() |
![]() FM600TU-3A |
![]() |
![]() MOSFET MOD 6PAC HP 150V 300A |
![]() Data Sheet |
![]()
|
|
||||||
(Hong Kong)









